手机版 | 登陆 | 注册 | 留言 | 设首页 | 加收藏
当前位置: 问鼎官方网站 > 超声波技术 > 文章

双频超声波清洗机研究之五频率谐振

时间:2017-10-11    点击: 次    来源:网络    作者:佚名 - 小 + 大

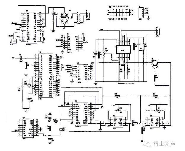
超声波换能器谐振频率的跟踪方式

超声波发生器模拟驱动电路的功能是对超声波电信号进行放大,使城市频电信号具有一定的电功率,而后将其加在超声波换能器的两端,驱动超声波换能器工作,向超声波清洗槽内发射超声机械波。

超声波发生器中的信号产生及频率跟踪主要作用是:为超声波模拟驱动电路中,场效应管柵极提供所需的超声频小功率信号电压,该小信号电压的频率,要随超声波换能器的谐振频率的变化而变化,从而使超声波换能器始终工作在谐振状态。

那么如何使换能器始终工作在谐振状态,这就需要有频率跟踪,超声波换能器的谐振频率的跟踪方式有两种:一是跟踪超声波换能器的电压电流相位,来调节超声波电信号;二是电流搜索逐步逼近最大值。

由于电流搜索逐步逼近最大值,这种方法简单可行,我们一般采用这种方式。其跟踪原理是:在超声波换能器正常工作时,若超声波发生器频率与换能器频率一致,则系统处于最佳工作状态,此时流过超声波换能器的电流达到最大,取样电阻上的电压值也是最大。若换能器处于失谐状态时,取电压减小。由于系统的负载不同,谐振电流最大值是不同的,而对一个既定系统,其电流曲线是定的,总存在一个最大值,如果能及时调整超声波发生器的频率,使超声波换能器中电流处于最大值,即达到了频率自动跟踪。

 

上一篇:双频超声波清洗机研究之四发生器电路

下一篇:双频超声波清洗机研究之六:超声波换能器的阻抗匹配

 |   QQ:745251892 无锡雷士超声波设备有限公司 版权所有  |  地址:无锡市梁溪区惠钱路严家棚厂区  |  电话:0510-82465315 83502189 13506196276  |  
Copyright © 2025 无锡雷士超声波设备有限公司 版权所有,授权www.crcunningham.com使用 Powered by 55TR.COM
苏ICP备11026715号